+91 9320653575
At Rajat Steel & Engg. Co., we specialize in manufacturing and Supplying high-quality buttweld fittings designed for seamless, strong, and leak-proof connections in piping systems. Available in a wide range of materials including stainless steel, carbon steel, and alloy steel, our fittings meet stringent industry standards for durability and corrosion resistance. We also provide custom-fabricated buttweld fittings tailored precisely to your project specifications , ensuring optimal fit and performance even in the most demanding applications. Trusted by industries such as oil & gas, power, marine, and construction, our buttweld fittings deliver reliable solutions for critical flow systems.
Stainless Steel Buttweld Fittings are made up of different types of stainless steel and they can perform in different application conditions. The different grades of the materials provide the fittings with different mechanical properties. Navstar Steel is a leading supplier and manufacturer of these Stainless Steel Buttweld Fittings in different grades of materials, different standards and specifications.
The fittings can range in specifications such as ASTM B366 and A403. There are different application types such as cryogenic temperature applications, elevated temperature and high pressure applications. As a leading SS Seamless Pipe Elbow Manufacture we produce the fittings ranging from 1/16 inches to 48 inches in nominal diameters. There are seamless and fabricated products as well. The temperature range of the products ranges from cryogenic to 1093 degrees Celsius depending on the material grade and the Stainless Steel Fittings Specification.
The pressure classes of the fittings vary according to the material grade, nominal bore size and the wall thickness. The schedules range from 5s through XXS. As a leading Stainless Steel Pipe Fittings manufacturer in India we produce these fittings to operate under various environmental conditions and in different types. There are different dimensions to these fittings such as long radius, short radius, 1D, 2D and so on. The Chromium Nickel Stainless Steel 1D Bend for example is made up of a chromium nickel grade of stainless steel with a diameter that matches 1 times the outer diameter of the pipe that it is being fitted to. Please contact us for more information on the products and their prices.
| Stainless Steel Buttweld Fittings Specifications | |
|---|---|
| Specifications | ASTM A403 / ASME SA403 |
| Size | 1/8” NB TO 48” NB (Seamless & 100% X-Ray Welded, Fabricated) |
| Standards | ASME/ANSI B16.9, ASME B16.28, MSS-SP-43 |
| Thickness | 5s, 10s, 40s, 80s, 10, 20, 40, STD, 60, 80, XS, 100, 120, 140, 160, XXS (Available with NACE MR 01-75) |
| Type | Seamless / Welded / Fabricated |
| Stainless Steel & Duplex Steel Buttweld Fittings | |
|---|---|
| Range | 15 NB UP TO 1200 NB in SCH 5S, 10S, 10, 20, 40S, 40, STD, 60, 80S, 80, XS, 100, 120, 140, 160 & XXS |
| Form |
Seamless & Welded: • Long Radius & Short Radius Elbow 90° • Long Radius Elbow 45° • Long & Short Radius Elbow 180° (Return Bend) • Reducing Elbow • Equal Tee, Unequal Tee • Crosses • Concentric Reducer, Eccentric Reducer • Long Stub End, Short Stub End • Collar, Pipe Cap • Long Radius Bends (R = 3D, 5D, 6D, 8D, 10D, 20D) in 15°, 30°, 60°, 90° • Drawing Based / Customized Butt Weld Fittings |
| Stainless Steel Grades |
ASTM / ASME SA 403 GR WP "S" / "W" / "WX" 304, 304L, 304H, 304N, 304LN, 309, 310H, 316, 316H, 317, 317L, 321, 321H, 347, 347H |
| Duplex Steel Grades |
ASTM / ASME SA 815 UNS No. S31803, S32205, S32550, S32750, S32760 |
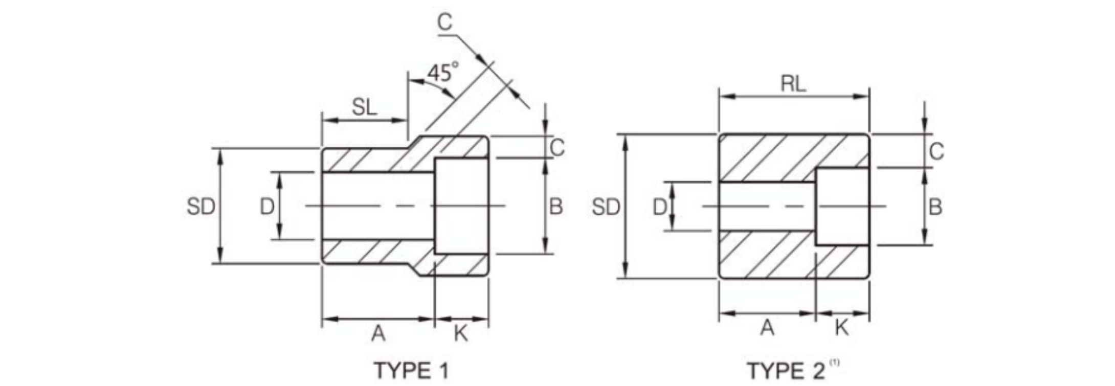
| Nominal Pipe Size (NPS) | Outside Diameter at Bevel (mm) | Outside Diameter of Barrel (Min.) | Outside Diameter of Barrel (Max.) | Length F (mm) | Radius of Fillet R (mm) | Diameter of Lap - ANSI Type A (mm) | Diameter of Lap - MSS Type B (mm) |
|---|---|---|---|---|---|---|---|
| 1/2 | 21.3 | 20.55 | 22.76 | 76.2 | 3.0 | 0.8 | 35.0 |
| 3/4 | 26.7 | 25.88 | 28.09 | 76.2 | 3.0 | 0.8 | 42.9 |
| 1 | 33.4 | 32.61 | 34.95 | 101.6 | 3.0 | 0.8 | 50.8 |
| 1-1/4 | 42.2 | 41.38 | 43.59 | 101.6 | 4.8 | 0.8 | 63.5 |
| 1-1/2 | 48.3 | 47.47 | 49.94 | 101.6 | 6.4 | 0.8 | 73.2 |
| 2 | 60.3 | 59.54 | 62.38 | 152.4 | 7.9 | 0.8 | 91.9 |
| 2-1/2 | 73.0 | 72.24 | 75.34 | 152.4 | 7.9 | 0.8 | 104.6 |
| 3 | 88.9 | 88.11 | 91.34 | 152.4 | 9.7 | 0.8 | 127.0 |
| 3-1/2 | 101.6 | 100.81 | 104.04 | 152.4 | 9.7 | 0.8 | 139.7 |
| 4 | 114.3 | 113.51 | 116.66 | 152.4 | 11.2 | 0.8 | 157.2 |
| 5 | 141.3 | 140.51 | 144.35 | 203.2 | 11.2 | 1.5 | 185.7 |
| 6 | 168.3 | 167.49 | 171.27 | 203.2 | 12.7 | 1.5 | 215.9 |
| 8 | 219.1 | 218.29 | 222.07 | 203.2 | 12.7 | 1.5 | 269.7 |
| 10 | 273.1 | 272.26 | 277.19 | 254.0 | 12.7 | 1.5 | 323.9 |
| 12 | 323.9 | 323.06 | 327.99 | 254.0 | 12.7 | 1.5 | 381.0 |
| 14 | 355.6 | 354.81 | 359.92 | 304.8 | 12.7 | 1.5 | 412.8 |
| 16 | 406.4 | 405.61 | 410.97 | 304.8 | 12.7 | 1.5 | 469.9 |
| 18 | 457.2 | 456.41 | 462.03 | 304.8 | 12.7 | 1.5 | 533.4 |
| 20 | 508.0 | 507.21 | 514.10 | 304.8 | 12.7 | 1.5 | 584.2 |
| 22 | 558.8 | 558.01 | 564.90 | 304.8 | 12.7 | 1.5 | 641.4 |
| 24 | 609.6 | 608.81 | 615.70 | 304.8 | 12.7 | 1.5 | 692.2 |
| Product | Size* | Wall Thickness** | Seamless | Welded | ||||||||||||||||||||||
| Elbow | 1/2"-24" | SCH10S~XXS | √ | √ | ||||||||||||||||||||||
| 8"-104" | SCH5S~80S/XS | √ | ||||||||||||||||||||||||
| Tee | 1/2"-24" | SCH10S~XXS | √ | √ | ||||||||||||||||||||||
| 8"-104" | SCH5S~80S/XS | √ | ||||||||||||||||||||||||
| Reducer | 1/2"-24" | SCH10S~XXS | √ | √ | ||||||||||||||||||||||
| 8"-104" | SCH5S~80S/XS | √ | ||||||||||||||||||||||||
| Cap | 1/2"-80" | SCH10S~SCH160 | √ | |||||||||||||||||||||||
| Lap Joint Stub End | 1/2"-24" | SCH5S~80S/XS | √ | √ | ||||||||||||||||||||||
| 8"-80" | SCH5S~80S/XS | √ | ||||||||||||||||||||||||
| Type | Grade | ASTM A240 Chemical Composition | |||||||||
|---|---|---|---|---|---|---|---|---|---|---|---|
| ASTM(A240M) | Others(JIS) | C | Si | Mn | P | S | Ni | Cr | Mo | Others | |
| Austenitic Steels | 304 | SUS304 | 0.07 | 0.75 | 2.00 | 0.045 | 0.030 | 8.0/10.5 | 17.5/19.5 | ― | N0.10 |
| 304H | 0.04/0.10 | 0.75 | 2.00 | 0.045 | 0.030 | 8.0/10.5 | 18.0/20.0 | ― | |||
| 304L | SUS304L | 0.030 | 0.75 | 2.00 | 0.045 | 0.030 | 8.0/12.0 | 17.5/19.5 | ― | N0.10 | |
| 304N | SUS304N1 | 0.08 | 0.75 | 2.00 | 0.045 | 0.030 | 8.0/10.5 | 18.0/20.0 | ― | N:0.10/0.16 | |
| 304LN | SUS304LN | 0.030 | 0.75 | 2.00 | 0.045 | 0.030 | 8.0/12.0 | 18.0/20.0 | ― | N:0.10/0.16 | |
| 309S | SUS309S | 0.08 | 0.75 | 2.00 | 0.045 | 0.030 | 12.0/15.0 | 22.0/24.0 | ― | ||
| 310S | SUS310S | 0.08 | 1.50 | 2.00 | 0.045 | 0.030 | 19.0/22.0 | 24.0/26.0 | ― | ||
| 316 | SUS316 | 0.08 | 0.75 | 2.00 | 0.045 | 0.030 | 10.0/14.0 | 16.0/18.0 | 2.00/3.00 | N0.10 | |
| 316L | SUS316L | 0.030 | 0.75 | 2.00 | 0.045 | 0.030 | 10.0/14.0 | 16.0/18.0 | 2.00/3.00 | N0.10 | |
| 316H | 0.04/0.10 | 0.75 | 2.00 | 0.045 | 0.030 | 10.0/14.0 | 16.0/18.0 | 2.00/3.00 | |||
| 316LN | SUS316LN | 0.030 | 0.75 | 2.00 | 0.045 | 0.030 | 10.0/14.0 | 16.0/18.0 | 2.00/3.00 | N:0.10/0.16 | |
| 317L | SUS317L | 0.030 | 0.75 | 2.00 | 0.045 | 0.030 | 11.0/15.0 | 18.0/20.0 | 3.0/4.0 | N0.10 | |
| 317LN | SUS317LN | 0.030 | 0.75 | 2.00 | 0.045 | 0.030 | 11.0/15.0 | 18.0/20.0 | 3.0/4.0 | N:0.10/0.22 | |
| 321 | SUS321 | 0.08 | 0.75 | 2.00 | 0.045 | 0.030 | 9.0/12.0 | 17.0/19.0 | ― | N0.10Ti:5ʷʢC+Nʣ/0.70 | |
| 347 | SUS347 | 0.08 | 0.75 | 2.00 | 0.045 | 0.030 | 9.0/13.0 | 17.0/19.0 | ― | Nb:10ʷC/1.00 | |
| 904L | SUS890L | 0.020 | 1.00 | 2.00 | 0.045 | 0.035 | 23.0/28.0 | 19.0/23.0 | 4.00/5.00 | N0.10Cu:1.0/2.0 | |
| S31254 | 0.020 | 0.80 | 1.00 | 0.030 | 0.010 | 17.5/18.5 | 19.5/20.5 | 6.0/6.5 | N:0.18/0.25Cu:0.50/1.00 | ||
| SUS317J2 | 0.06 | 1.50 | 2.00 | 0.045 | 0.030 | 12.00/16.00 | 23.00/26.00 | 0.50/1.20 | N:0.25/0.40 | ||
| Type | Mechanical Properties for Stainless Steel Plates | |||||||
|---|---|---|---|---|---|---|---|---|
| ASTM(A240M) | Others(JIS) | Tensile Properties | Hardness | |||||
| Yield Strength (Mpa) | Tensile Strength (Mpa) | Elongation (%) | HBW | HRBW | ||||
| AusteniticSteels | 304 | SUS304 | 205 | 515 | 40 | 201 | 92 | |
| 304H | 205 | 515 | 40 | 201 | 92 | |||
| 304L | SUS304L | 170 | 485 | 40 | 201 | 92 | ||
| 304N | SUS304N1 | 240 | 550 | 30 | 217 | 95 | ||
| 304LN | SUS304LN | 205 | 515 | 40 | 217 | 95 | ||
| 309S | SUS309S | 205 | 515 | 40 | 217 | 95 | ||
| 310S | SUS310S | 205 | 515 | 40 | 217 | 95 | ||
| 316 | SUS316 | 205 | 515 | 40 | 217 | 95 | ||
| 316L | SUS316L | 170 | 485 | 40 | 217 | 95 | ||
| 316H | 205 | 515 | 40 | 217 | 95 | |||
| 316LN | SUS316LN | 205 | 515 | 40 | 217 | 95 | ||
| 317L | SUS317L | 205 | 515 | 40 | 217 | 95 | ||
| 317LN | SUS317LN | 240 | 550 | 40 | 217 | 95 | ||
| 321 | SUS321 | 205 | 515 | 40 | 217 | 95 | ||
| 347 | SUS347 | 205 | 515 | 40 | 201 | 92 | ||
| N08904/904L | SUS890L | 220 | 490 | 35 | 196 | 90 | ||
| S31254 | 310 | 655 | 35 | 223 | 96 | |||
| SUS317J2 | 345 | 690 | 40 | 250 | 100 | |||
|
|
| S G4304 | ASTM | UNS | KS | EN10095 | AS | CNS |
|---|---|---|---|---|---|---|
| SUS201 | 201 | S20100 | STS201 | 1.4372 | 201-2 | 201 |
| SUS202 | 202 | S20200 | STS202 | 1.4373 | – | 202 |
| SUS301 | 301 | S30100 | STS301 | 1.4319 | 301 | 301 |
| SUS304 | 304 | S30400 | STS304 | 1.4301 | 304 | 304 |
| SUS304L | 304L | S30403 | STS304L | 1.4306 | 304L | 304L |
| SUS304N1 | 304N | S30451 | STS304N1 | 1.4315 | 304N1 | 304N1 |
| SUS304N2 | XM21 | S30452 | STS304N2 | – | 304N2 | 304N2 |
| SUS304LN | 304LN | S30453 | STS304LN | – | 304LN | 304LN |
| SUS305 | 305 | S30500 | STS305 | 1.4303 | 305 | 305 |
| SUS309S | 309S | S30908 | STS309S | 1.4833 | 309S | 309S |
| SUS310S | 310S | S31008 | STS310S | 1.4845 | 310S | 310S |
| SUS316 | 316 | S31600 | STS316 | 1.4401 | 316 | 316 |
| SUS316Ti | 316Ti | S31635 | – | 1.4571 | 316Ti | 316Ti |
| SUS316L | 316L | S31603 | STS316L | 1.4404 | 316L | 316L |
| SUS316N | 316N | S31651 | STS316N | – | 316N | 316N |
| SUS316LN | 316LN | S31653 | STS316LN | 1.4429 | 316LN | 316LN |
| SUS316J1 | – | – | STS316J1 | – | 316J1 | 316J1 |
| SUS316J1L | – | – | STS316J1L | – | – | 316J1L |
| SUS317 | 317 | S31700 | STS317 | – | 317 | 317 |
| SUS317L | 317L | S31703 | STS317L | 1.4438 | 317L | 317L |
| SUS321 | 321 | S32100 | STS321 | 1.4541 | 321 | 321 |
| SUS347 | 347 | S34700 | STS347 | 1.455 | 347 | 347 |
| SUS329J1 | 329 | S32900 | STS329J1 | 1.4477 | 329J1 | 329J1 |
| SUS329J3L | – | S31803 | STS329J3L | 1.4462 | 329J3L | 329J3L |
| SUS405 | 405 | S40500 | STS405 | 1.4002 | 405 | 405 |
| SUH409 | 409 | S40900 | STS409 | 1.4512 | 409L | 409L |
| SUS410L | – | – | STS410L | – | 410L | 410L |
| SUS430 | 430 | S43000 | STS430 | 1.4016 | 430 | 430 |
| SUS434 | 434 | S43400 | STS434 | 1.4113 | 434 | 434 |
| – | – | S43940 | – | 1.4509 | 439 | 439 |
| SUS444 | 444 | S44400 | STS444 | 1.4521 | 444 | 444 |
| SUS403 | 403 | S40300 | STS403 | – | 403 | 403 |
| SUS410 | 410 | S41000 | STS410 | 1.4006 | 410 | 410 |
| SUS420J1 | 420 | S42000 | STS420J1 | 1.4021 | 420 | 420J1 |
| SUS420J2 | – | – | STS420J2 | 1.4028 | 420J2 | 420J2 |
| SUS440A | 440A | S44002 | STS440A | – | 440A | 440A |
| Nominal Pipe Size (NPS) | Outside Diameter at Bevel (OD) | Inside Diameter at End (ID) | Wall Thickness (T) | Center-to-End Dimension (A, B / C, M) | Overall Length (H) | Overall Length (E) | Center-to-Center (P) | Back-to-Face (K) | Alignment of Ends (U) | ||
|---|---|---|---|---|---|---|---|---|---|---|---|
| Elbow, Tee, Reducer, Cap | 180° Return Elbow | ||||||||||
| 1/2″ – 2-1/2″ | +1.5 / -0.7 | ±0.7 | Not less than 87.5% of nominal thickness | ±1.5 | ±1.5 | ±1.5 | ±3.0 | ±6.3 | ±6.3 | - | |
| 3″ – 4″ | ±1.5 | ±0.7 | - | ±1.5 | ±1.5 | ±1.5 | ±3.0 | ±6.3 | ±6.3 | - | |
| 5″ – 8″ | +2.2 / -1.5 | - | - | ±2.2 | ±2.2 | ±2.2 | ±9.6 | ±0.7 | - | - | |
| 10″ – 18″ | ±6.3 | +4.0 / -3.0 | - | ±3.0 | ±3.0 | ±3.0 | ±9.6 | ±0.7 | - | - | |
| 20″ – 24″ | +6.3 / -4.8 | - | - | ±3.0 | ±3.0 | ±4.8 | ±4.8 | ±9.6 | - | - | |
| 26″ – 30″ | ±3.0 | ±3.0 | - | ±4.8 | ±4.8 | ±9.6 | - | - | - | ||
| 32″ – 48″ | ±4.8 | ±4.8 | - | - | - | - | - | - | - | ||
| 50″ – 60″ * | +9.5 / -6.4 | ±6.4 | - | ±9.5 | ±9.5 | ±9.5 | - | - | - | ||
| 62″ – 70″ * | +12.7 / -9.5 | ±9.5 | - | ±12.7 | - | - | - | - | - | ||
| 72″ – 80″ * | +15.9 / -11.9 | ±11.9 | - | ±15.9 | - | - | - | - | - | ||
| Nominal Pipe Size (NPS) | Outside Diameter at Bevel (mm) | Outside Diameter of Barrel Min. (mm) | Outside Diameter of Barrel Max. (mm) | Length F (mm) | Radius of Fillet G (mm) | Diameter of Lap R (mm) | ANSI & MSS Type A (mm) | MSS Type B (mm) |
|---|---|---|---|---|---|---|---|---|
| 1/2" | 21.3 | 20.55 | 22.76 | 76.2 | 50.8 | 3.0 | 0.8 | 35.0 |
| 3/4" | 26.7 | 25.88 | 28.09 | 76.2 | 50.8 | 3.0 | 0.8 | 42.9 |
| 1" | 33.4 | 32.61 | 34.95 | 101.6 | 50.8 | 3.0 | 0.8 | 50.8 |
| 1-1/4" | 42.2 | 41.38 | 43.59 | 101.6 | 50.8 | 4.8 | 0.8 | 63.5 |
| 1-1/2" | 48.3 | 47.47 | 49.94 | 101.6 | 50.8 | 6.4 | 0.8 | 73.2 |
| 2" | 60.3 | 59.54 | 62.38 | 152.4 | 63.5 | 7.9 | 0.8 | 91.9 |
| 2-1/2" | 73.0 | 72.24 | 75.34 | 152.4 | 63.5 | 7.9 | 0.8 | 104.6 |
| 3" | 88.9 | 88.11 | 91.34 | 152.4 | 63.5 | 9.7 | 0.8 | 127.0 |
| 3-1/2" | 101.6 | 100.81 | 104.04 | 152.4 | 76.2 | 9.7 | 0.8 | 139.7 |
| 4" | 114.3 | 113.51 | 116.66 | 152.4 | 76.2 | 11.2 | 0.8 | 157.2 |
| 5" | 141.3 | 140.51 | 144.35 | 203.2 | 76.2 | 11.2 | 1.5 | 185.7 |
| 6" | 168.3 | 167.49 | 171.27 | 203.2 | 88.9 | 12.7 | 1.5 | 215.9 |
| 8" | 219.1 | 218.29 | 222.07 | 203.2 | 101.6 | 12.7 | 1.5 | 269.7 |
| 10" | 273.1 | 272.26 | 277.19 | 254.0 | 127.0 | 12.7 | 1.5 | 323.9 |
| 12" | 323.9 | 323.06 | 327.99 | 254.0 | 152.4 | 12.7 | 1.5 | 381.0 |
| 14" | 355.6 | 354.81 | 359.92 | 304.8 | 152.4 | 12.7 | 1.5 | 412.8 |
| 16" | 406.4 | 405.61 | 410.97 | 304.8 | 152.4 | 12.7 | 1.5 | 469.9 |
| 18" | 457.2 | 456.41 | 462.03 | 304.8 | 152.4 | 12.7 | 1.5 | 533.4 |
| 20" | 508.0 | 507.21 | 514.10 | 304.8 | 152.4 | 12.7 | 1.5 | 584.2 |
| 22" | 558.8 | 558.01 | 564.90 | 304.8 | 152.4 | 12.7 | 1.5 | 641.4 |
| 24" | 609.6 | 608.81 | 615.70 | 304.8 | 152.4 | 12.7 | 1.5 | 692.2 |
| Nominal Diameter | O.D.For Bevel End | I.D.For End | Wall Thickness | Elbow | Tee | Reducer | Cap | 180°Elbow | |||||
|---|---|---|---|---|---|---|---|---|---|---|---|---|---|
| DN | NPS | A | B | C | M | H | E | O | K | Roughness | |||
| 15-65 | 1/2-2 1/2 | +1.6/-0.8 | 0.8 | -12.50% | 1.6 | 1.6 | 1.6 | 1.6 | 1.6 | 3.2 | 6.4 | 6.4 | 0.8 |
| 80-100 | 3-4 | 1.6 | 1.6 | 6.4 | |||||||||
| 125-200 | 5-8 | +2.4/-1.6 | |||||||||||
| 250-450 | 10-18 | +4/-3.2 | 3.2 | 2.4 | 2.4 | 2.4 | 2.4 | 2.4 | 9.6 | ||||
| 500-600 | 20-24 | +6.4/-4.8 | 4.8 | 3.2 | 3.2 | 3.2 | 3.2 | 4.8 | 9.6 | ||||
| 650-750 | 26-30 | ||||||||||||
| 4.8 | 4.8 | 4.8 | 4.8 | ||||||||||
| 800-1200 | 32-48 | ||||||||||||
| 1250-1500 | 50-60 | +9.6/-6.4 | 6.4 | 9.6 | 9.6 | 9.6 | 9.6 | 9.6 | |||||
| 1550-1750 | 62-70 | +12.7/-9.6 | 9.6 | 12.7 | 12.7 | ||||||||
| 1800-2000 | 72-80 | +16/-12 | 12 | 16 | 16 | ||||||||
| DN | 15-100 | 125-200 | 250-300 | 350-400 | 450-600 | 650-750 | 800-1050 | 1100-1200 | 1300-1500 | ||||||||||||||||
| NPS | 1/2 - 4 | 5-8 | 10-12 | 14-16 | 18-24 | 26-30 | 32-42 | 44-48 | 52-60 | ||||||||||||||||
| Angularity Tolerance |
Off Angle | Q | 1 | 2 | 3 | 3 | 4 | 5 | 5 | 5 | 6.4 | ||||||||||||||
|---|---|---|---|---|---|---|---|---|---|---|---|---|---|---|---|---|---|---|---|---|---|---|---|---|---|
| Off Plain | P | 2 | 4 | 5 | 6 | 10 | 10 | 13 | 19 | 20 | |||||||||||||||
|
Product range and theoretical weights (kg) |
|||||||||
|
DN |
Schedule 10S |
Schedule 40S |
Schedule 80S |
||||||
|
900 Elbow |
450 Elbow |
Equal tee |
900 Elbow |
450 Elbow |
Equal tee |
900 Elbow |
450 Elbow |
Equal tee |
|
|
8 |
0.02 |
0.01 |
0.03 |
0.03 |
0.02 |
0.06 |
0.04 |
0.03 |
0.07 |
|
10 |
0.03 |
0.02 |
0.05 |
0.03 |
0.02 |
0.03 |
0.06 |
0.04 |
0.09 |
|
15 |
0.06 |
0.03 |
0.09 |
0.08 |
0.04 |
0.10 |
0.10 |
0.05 |
0.14 |
|
20 |
0.07 |
0.03 |
0.13 |
0.08 |
0.04 |
0.17 |
0.11 |
0.05 |
0.20 |
|
25 |
0.14 |
0.08 |
0.28 |
0.15 |
0.11 |
0.29 |
0.22 |
0.14 |
0.38 |
|
32 |
0.23 |
0.11 |
0.49 |
0.26 |
0.17 |
0.59 |
0.40 |
0.23 |
0.68 |
|
40 |
0.30 |
0.17 |
0.68 |
0.40 |
0.23 |
0.86 |
0.51 |
0.29 |
1.02 |
|
50 |
0.50 |
0.25 |
0.85 |
0.70 |
0.4 |
1.28 |
0.91 |
0.59 |
1.59 |
|
65 |
0.85 |
0.48 |
1.41 |
1.40 |
0.77 |
2.19 |
1.81 |
0.99 |
3.13 |
|
80 |
1.25 |
0.63 |
1.77 |
2.20 |
1.08 |
3.31 |
2.97 |
1.50 |
4.45 |
|
90 |
1.70 |
0.75 |
2.67 |
2.83 |
1.42 |
4.08 |
4.00 |
2.00 |
5.44 |
|
100 |
2.10 |
1.08 |
3.46 |
4.47 |
2.09 |
5.27 |
6.18 |
2.81 |
7.71 |
|
150 |
5.45 |
2.72 |
8.07 |
10.89 |
5.44 |
10.99 |
16.32 |
8.16 |
13.61 |
|
200 |
10.20 |
5.33 |
15.65 |
21.54 |
10.77 |
20.91 |
33.11 |
16.56 |
28.12 |
|
250 |
18.15 |
9.75 |
26.46 |
38.56 |
19.27 |
35.38 |
51.71 |
25.86 |
49.90 |
|
300 |
25.80 |
13.62 |
39.46 |
59.42 |
29.71 |
62.14 |
79.38 |
39.69 |
83.91 |
| Nominal Pipe Size |
Outside Diameter |
90° Elbows | 45° Elbows | 180° Returns | ||||
|---|---|---|---|---|---|---|---|---|
| (inches) | Long Radius | Short Radius | Long Radius | Long Radius | ||||
| (mm) | (inches) | Center to Face (inches) |
Center to Face (inches) |
Center to Face (inches) |
Radius (inches) |
Center to Center (inches) |
Back to face (inches) |
|
| 1/2 | 21.3 | 0.840 | 1 1/2 | – | 5/8 | 2 | 1 7/8 | |
| 3/4 | 26.7 | 1.050 | 1 1/8 | – | 7/16 | 2 1/4 | 1 11/16 | |
| 1 | 33.4 | 1.315 | 1 1/2 | 1 | 7/8 | 3 | 2 3/16 | |
| 1 1/4 | 42.2 | 1.660 | 1 7/8 | 1 1/4 | 1 | 3 3/4 | 2 3/4 | |
| 1 1/2 | 48.3 | 1.900 | 2 1/4 | 1 1/2 | 1 1/8 | 3 | 4 1/2 | 3 1/4 |
| 2 | 60.3 | 2.375 | 3 | 2 | 1 3/8 | 4 | 6 | 4 3/16 |
| 2 1/2 | 73.0 | 2.875 | 3 3/4 | 2 1/2 | 1 3/4 | 5 | 7 1/2 | 5 3/16 |
| 3 | 88.9 | 3.500 | 4 1/2 | 3 | 2 | 6 | 9 | 6 1/4 |
| 3 1/2 | 101.6 | 4.000 | 5 1/4 | 3 1/2 | 2 1/4 | 7 | 10 1/2 | 7 1/4 |
| 4 | 114.3 | 4.500 | 6 | 4 | 2 1/2 | 8 | 12 | 8 1/4 |
| 5 | 141.3 | 5.563 | 7 1/2 | 5 | 3 1/8 | 10 | 15 | 10 5/16 |
| 6 | 168.3 | 6.625 | 9 | 6 | 3 3/4 | 12 | 18 | 12 5/16 |
| 8 | 219.1 | 8.625 | 12 | 8 | 5 | 12 | 24 | 16 5/16 |
| 10 | 273.1 | 10.750 | 15 | 10 | 6 1/4 | 15 | 30 | 20 3/8 |
| 12 | 323.9 | 12.750 | 18 | 12 | 7 1/2 | 18 | 36 | 24 3/8 |
| Nominal Pipe Size |
Outside Diameter |
Caps | Straight Tees | Straight Crosses | Stub Ends | |||
|---|---|---|---|---|---|---|---|---|
| (inches) | (mm) | (inches) | Length (inches) |
Center to End (inches) |
Center to End (inches) |
Lap Diameter (inches) |
Long Length (inches) |
Short Length (inches) |
| 1/2 | 21.3 | 0.840 | 1 | 1 | – | 1 3/8 | 3 | 2 |
| 3/4 | 26.7 | 1.050 | 1 | 1 1/8 | – | 1 11/16 | 3 | 2 |
| 1 | 33.4 | 1.315 | 1 1/2 | 1 1/2 | 1 1/2 | 2 | 4 | 2 |
| 1 1/4 | 42.2 | 1.660 | 1 1/2 | 1 7/8 | 1 7/8 | 2 1/2 | 4 | 2 |
| 1 1/2 | 48.3 | 1.900 | 1 1/2 | 2 1/4 | 2 1/4 | 2 7/8 | 4 | 2 |
| 2 | 60.3 | 2.375 | 1 1/2 | 2 1/2 | 2 1/2 | 3 5/8 | 6 | 2 1/2 |
| 2 1/2 | 73.0 | 2.875 | 1 1/2 | 3 | 3 | 4 1/8 | 6 | 2 1/2 |
| 3 | 88.9 | 3.500 | 2 | 3 3/8 | 3 3/8 | 5 | 6 | 2 1/2 |
| 3 1/2 | 101.6 | 4.000 | 2 1/2 | 3 3/4 | 3 3/4 | 5 1/2 | 6 | 3 |
| 4 | 114.3 | 4.500 | 2 1/2 | 4 1/8 | 4 1/8 | 6 3/16 | 6 | 3 |
| 5 | 141.3 | 5.563 | 3 | 4 7/8 | 4 7/8 | 7 5/16 | 8 | 3 |
| 6 | 168.3 | 6.625 | 3 1/2 | 5 5/8 | 5 5/8 | 8 1/2 | 8 | 3 1/2 |
| 8 | 219.1 | 8.625 | 4 | 7 | 7 | 10 5/8 | 8 | 4 |
| 10 | 273.1 | 10.750 | 5 | 8 1/2 | 8 1/2 | 12 3/4 | 10 | 5 |
| 12 | 323.9 | 12.750 | 6 | 10 | 10 | 15 | 10 | 6 |
| Nominal Pipe Size |
Outside Diameter |
Reducers | ||
|---|---|---|---|---|
| Reduced from (inches) |
(mm) | (inches) | Reduced to (inches) | Concentric & Eccentric Length (inches) |
| 1/2 | 21.3 | 0.840 | 1/4 | 1 1/2 |
| 3/8 | 1 1/2 | |||
| 3/4 | 26.7 | 1.050 | 3/8 | 2 |
| 1/2 | 2 | |||
| 1 | 33.4 | 1.315 | 3/8 | 2 |
| 1/2 | 2 | |||
| 3/4 | 2 | |||
| 1 1/4 | 42.2 | 1.660 | 1/2 | 2 |
| 3/4 | 2 | |||
| 1 | 2 | |||
| 1 1/2 | 48.3 | 1.900 | 1/2 | 2 1/2 |
| 3/4 | 2 1/2 | |||
| 1 | 2 1/2 | |||
| 1 1/4 | 2 1/2 | |||
| 2 | 60.3 | 2.375 | 3/4 | 3 |
| 1 | 3 | |||
| 1 1/4 | 3 | |||
| 1 1/2 | 3 | |||
| 2 1/2 | 73.0 | 2.875 | 1 | 3 1/2 |
| 1 1/4 | 3 1/2 | |||
| 1 1/2 | 3 1/2 | |||
| 2 | 3 1/2 | |||
| 3 | 88.9 | 3.500 | 1 | 3 1/2 |
| 1 1/2 | 3 1/2 | |||
| 2 | 3 1/2 | |||
| 2 1/2 | 3 1/2 | |||
| 3 1/2 | 101.6 | 4.000 | 1 1/4 | 4 |
| 1 1/2 | 4 | |||
| 2 | 4 | |||
| 2 1/2 | 4 | |||
| 3 | 4 | |||
| 4 | 114.3 | 4.500 | 1 1/2 | 4 |
| 2 | 4 | |||
| 2 1/2 | 4 | |||
| 3 | 4 | |||
| 3 1/2 | 4 | |||
| 5 | 141.3 | 5.563 | 2 | 5 |
| 2 1/2 | 5 | |||
| 3 | 5 | |||
| 3 1/2 | 5 | |||
| 4 | 5 | |||
| 6 | 168.3 | 6.625 | 2 1/2 | 5 1/2 |
| 3 | 5 1/2 | |||
| 3 1/2 | 5 1/2 | |||
| 4 | 5 1/2 | |||
| 5 | 5 1/2 | |||
| 8 | 219.1 | 8.625 | 3 | 6 |
| 3 1/2 | 6 | |||
| 4 | 6 | |||
| 5 | 6 | |||
| 6 | 6 | |||
| 10 | 273.1 | 10.750 | 4 | 7 |
| 5 | 7 | |||
| 6 | 7 | |||
| 8 | 7 | |||
| 12 | 323.9 | 12.750 | 5 | 8 |
| 6 | 8 | |||
| 8 | 8 | |||
| 10 | 8 | |||
| A403 SS Fittings Types |
ANSI B16.9 SS 90º Long Radius Elbows (LR), ANSI B16.9 SS 90º Short Radius Elbows (SR), ANSI B16.9 SS 45º Elbows, ASME B16.9 ASTM A403 Concentric Reducers, ASME B16.9 ASTM A403 Eccentric Reducers, A403 Stainless Steel Tees, Reducing Tees, Stub Ends |
|---|---|
| Sizes | 1/2″ – 12″ |
| Schedules | Sch 10S – 80S |